Oclaro Cooled Dual Chip 14Pin 980nm Pump Laser Module 600mW II-VI DCL96XX74P-21R
Features
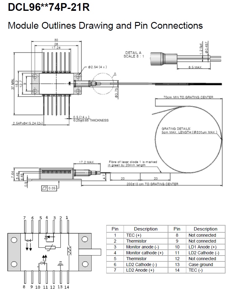
Two chips utilizing one carrier, one package and one TEC
High output power, up to 600mW kink free
Combined power of >1.0W with variable power ratios
Combined total laser current up to 2200mA
Minimal thermal or optical cross talks
Two independent fibers
Fiber Bragg grating stabilization for wavelength
locking over the entire operating conditions
Internal thermoelectric heatpump and monitor photodiode
Hermetically sealed 14 pin butterfly package
Telcordia GR-468-CORE compliant
Field-proven high reliability
RoHS compliant
Applications
Low noise EDFAs
Multi stage applications
Mid-stage Access (MSA) EDFA
Dense wavelength division multiplexing (DWDM) EDFAs
Arrayed EDFA for ADD/DROP ROADM applications







